Back to Home Page of CD3WD Project or Back to list of CD3WD Publications

Index.htm Thr450.htm

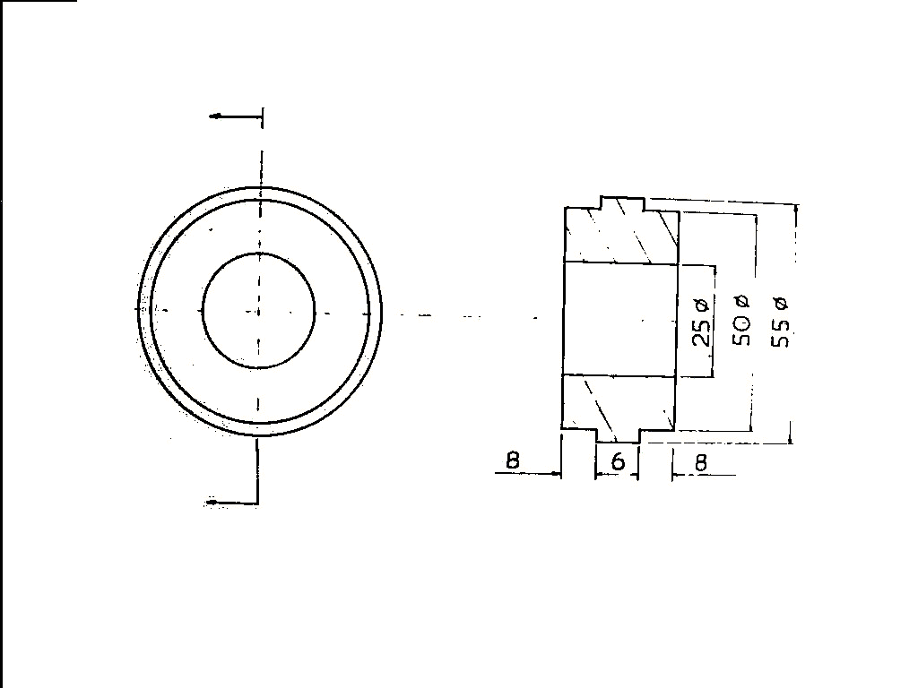
PEDAL THRESHER / MILL - LAYSHAFT TWIN-SPROCKET HUB, 1 PIECE, MILD STEEL